| 執筆者 | 上田 俊秀 財団法人流通システム開発センター 流通コードサービス部 上級研究員 |
|---|
目次
物流ラベルとは?
今日の流通業界においては、物流上の様々な目的で、物流ラベルが活用されている。物流ラベルは、用途に応じて必要な情報とバーコードをラベル印字し、ダンボールやオリコンなどに貼付して、物流効率化に活用しようとするものである。
主な物流ラベルとしては、まず、オンラインで送信されるASN(ASN:Advanced Shipping Notice:事前出荷明細情報)との連動により、検品作業等の業務効率化が行なうSCMラベル(SCM:Shipping Carton Marking)がある。また、納品データの送信を前提としないで、主に店舗仕分け用に用いられるPDラベル(PD:Physical Distribution)もある。この他、物流センターなどの中でのみ、入庫・集荷・仕分・積込用に使用される入庫・仕分・積込用ラベルや、物流業者用の荷札ラベルなどもある。
以上のように、物流ラベルと一口に言っても、使用目的によって様々な形態がある。
標準化の必要性
現在、多くの卸売業や製造業は、取引先によってバラバラな様式の物流ラベルと、取り扱い手順が求められているのが現実である。業界によっては、標準が定められている場合もあるが、少数の企業のみでしか使用されていないケースも、多々見受けられる。
物流ラベルのサイズが同じで、単に、印字形式が異なるのみであるならば、ラベル発行システムの開発上の問題であるが、ラベルのサイズが異なったり、色つき台紙を求められるような場合は、日々の運用コストにも影響を与える。また、受注情報や集荷作業から自動的に生成することができない情報の物流ラベルへの印字を求められる場合は、別途、情報管理や入力が必要になり、これも、物流ラベル発行作業を煩雑なものにしている。さらに、取り扱い手順が取引先毎に異なる場合は、現場担当者の日々の作業にも負担を与えることになってしまう。
物流ラベル標準化の歴史
本来、物流現場における物流ラベルの活用は、物流作業の省力化、配送精度や管理精度の向上につながるものである。商品の受け入れ側のみではなく、商品の出荷側も、このメリットを享受するには、取引先毎の運用上の違いを極力なくし、標準的な作業を行なう必要がある。
そこで、1993年、(財)流通システム開発センターは、日本チェーンストア協会に「物流情報システムの標準化に関する調査研究会」を設置し、共同研究を行った。その結果を、94年3月に「ASNとSCMラベルによる新検品システム」としてまとめ、98年3月には、本システムの見直しを行い、「ASNとSCMラベルによる新検品システム(バージョンⅡ)」としてまとめた。
同研究会では、バーコードとEDIシステムを連動させ、検品作業を簡素化することを目標に、混載商品のためのSCMラベル、納品(出荷)データ伝送フォーマット、通信手順(J手順またはH手順)、バーコード(GS1-128)などの検討を行なった。しかしながら、ここで定められた標準フォーマットは、必ずしも浸透しているとは言えず、スーパー業界では、様々なフォーマットの物流ラベルが使用されているのが現実である。
07年4月に、発注から請求・支払までの6業務・8メッセージで構成される「流通ビジネスメッセージ標準(略称:流通BMS)」が公開された。この検討の過程において、EDIデータと連携して物流現場で発行される物流ラベルや納品時添付帳票についても、流通BMSと連携した標準化仕様を改めて検討すべきとの要望が、共同実証に参加した卸売業などから出された。
こうした背景から、流通システム標準化事業において、07年度に、現状の実態調査を行い、08年度、スーパー業界を中心に、情報志向型卸売業研究会と連携する形で検討が行なわれ、その結果、「スーパー業界 流通ビジネスメッセージ標準対応 物流ラベル運用ガイドライン 第1.0版」がまとめられた。
本番導入している企業からは、「流通BMSからマッピングできるため、言葉の履き違えがなかった」「標準化されたバーコード体系でやれる」「流通BMSメッセージから生成できるので、個別テーブル等のメンテナンスが不要になった」などの声も上がっている。
物流ラベル標準化の概要
当物流ラベル運用ガイドラインにおける標準化の対象は、SCMラベルと、付帯帳票のうち、個口納品書と欠品連絡書である。個口納品書とは、納品時に持参する帳票の中で、受領証明に使用される個口数のみ表記される帳票である。欠品連絡書は、納品時に持参する帳票の中で、欠品商品のみが記載された帳票である。
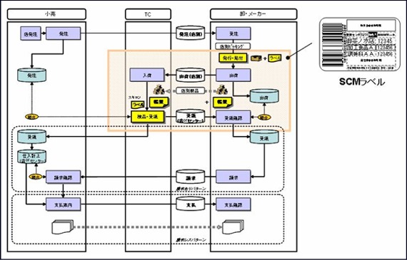
物流ラベルの適用範囲を定義するにあたっては、製・配・販の流通企業を対象に、「流通BMS運用ガイドライン」で定義されたスーパー業界における6つの業務プロセスのうち、主に、「通過型センター(TC)納品(店別仕分納品)モデル」を基本形としている。通過型センター納品とは、小売からの発注に対して、卸・メーカーが小売のTCに店別仕分けをして納品する形態のことである。(図表1参照)

<物流ラベルのサイズ>
今回の物流ラベルの標準レイアウトの作成にあたっては、多種多様なニーズを考慮し、B1サイズ(60mmx92mm)縦バーコード(28桁)、C1サイズ(80mmx115mm)縦バーコードを推奨レイアウトとし、A1サイズ(50mmx85mm)横バーコード(36桁)、B1サイズ横バーコード、C1サイズ横バーコードを準推奨レイアウトとしている。
<標準レイアウト>
サイズとバーコードの向きの違いから5種類の標準レイアウトを定めている。(図表2、3参照)
なお、サンプル以外の標準ラベルレイアウトについての詳細は、「物流ラベル運用ガイドライン」を参照願いたい。
(図表2)標準レイアウトサンプル

(図表3)印字項目

<バーコード仕様>
バーコード体系は、GS1-128を採用し、縦型と横型の2種類の標準を定めている。
なお、詳細は、「物流ラベル運用ガイドライン」を参照願いたい。
<付帯帳票の標準仕様>
個口納品書、欠品連絡書(総量納品)、欠品連絡書(店別納品)の標準仕様の詳細は、「物流ラベル運用ガイドライン」を参照願いたい。
<ガイドライン>
「スーパー業界 流通ビジネスメッセージ標準対応 物流ラベル運用ガイドライン 第1.0版」は、第Ⅰ章の概要編、第Ⅱ章の仕様編、第Ⅲ章の導入編から構成されている。概要編は、流通BMS対応物流ラベルおよび付帯帳票の導入を検討するにあたり、その概要や対象となる業務モデルなどを理解することを目的に作成されている。仕様編は、文字通り、流通BMS対応物流ラベルおよび付帯帳票の仕様と留意点を理解することを目的に作成されている。導入編は、流通BMS対応物流ラベルおよび付帯帳票を実装する際の手順および別途用意されている「物流用共通確認シート」の使い方を理解することを目的に作成されている。
以上の、「物流ラベル運用ガイドライン」と、「物流用共通確認シート」については、当センターのホームページからダウンロード可能となっている。
「物流ラベル運用ガイドライン」:https://www.gs1jp.org/ryutsu-bms/standard/standard03.html
「物流用共通確認シート」:https://www.gs1jp.org/ryutsu-bms/standard/data/kyotei_sheet.xlsx
普及推進に当たって
標準は、広く使用されることによって、業界全体の効率化が推進される。その為にも、普及推進が、重要であり、より多くの企業によって、採用されることが期待される。但し、物流システムは、物流センターのマテハン機器等とも連動しており、既存の仕組みを簡単に標準に移行できるのものではない。流通BMSに移行するタイミングや、新センター構築のタイミング、物流システムの再構築などのタイミングでの標準の採用が進むと思われる。
また、今回の流通BMS対応の標準物流ラベルは、スーパー業界と食品、菓子、日用品、アパレルの各卸売業界を中心に検討されたが、他の業界においても、適用可能な場合は、大いに活用頂きたい。業界特性などによって、標準仕様に対して、チェンジリクエストがある場合は、使用を前提に業界単位で検討の上、チェンジリクエストをあげて頂くなどの、標準の維持管理については、流通システム標準普及推進協議会の物流システム部会にて行なうことになっている。
以上
(C)2009 Toshihide Ueda & Sakata Warehouse, Inc.